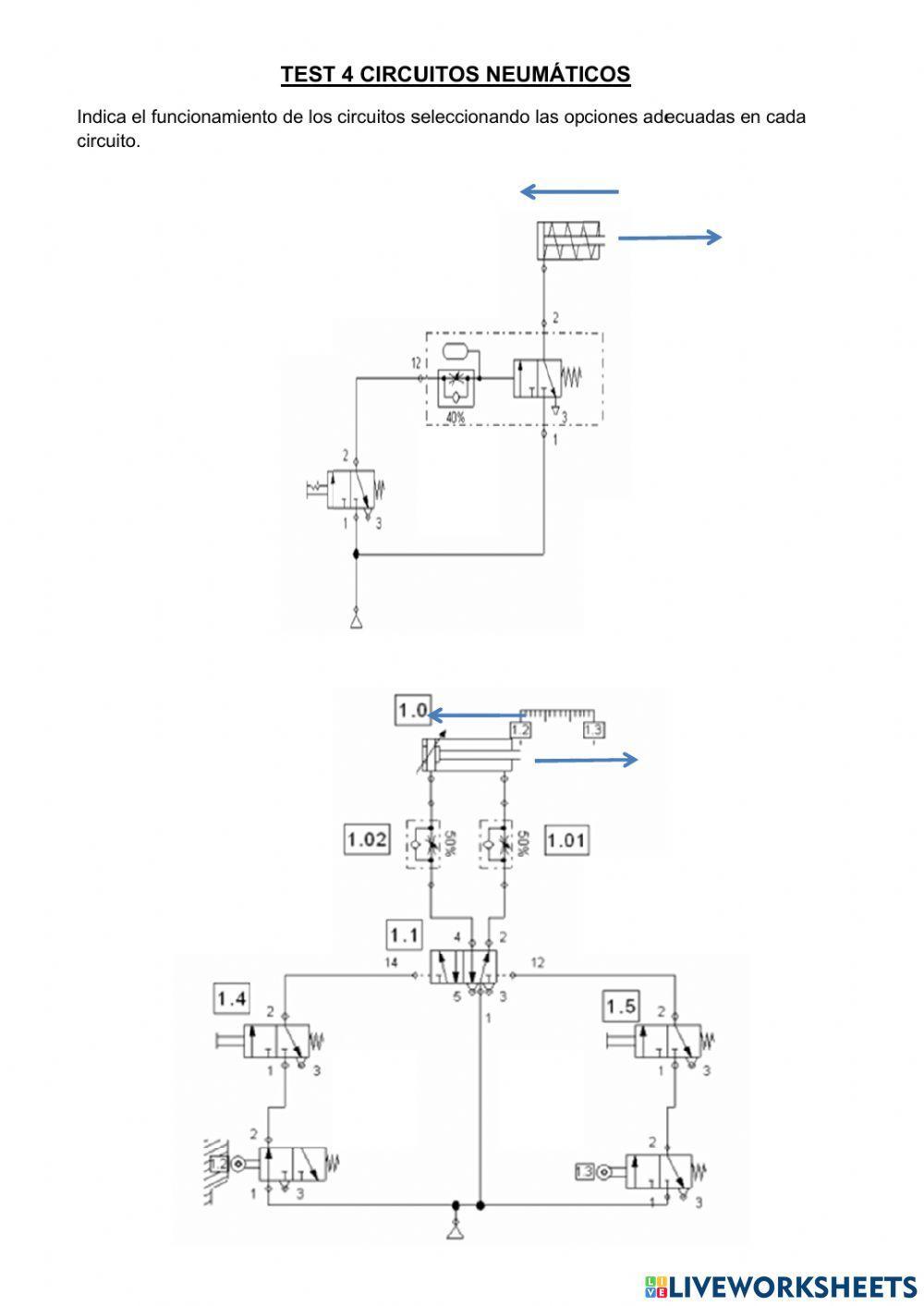
Created byFernando Tecnología Neumática Age 16-18 level: 4º ESO Spanish คำแนะนำของผู้เขียน CIRCUITOS NEUMÁTICOS My Google Classroom Courses × 0 classes selected (0 students total) Quick Access Select all classes (0 classes) All Classes Loading courses... ยกเลิก Share Share to selected Course __COURSE_NAME__ __STUDENT_NAME__ (__STUDENT_EMAIL__) Test 4 circuitos básicos neumáticos ดาวน์โหลด Worksheet Validation Check my answers Emails my answers to my teacher ชื่อเต็ม Group/level School subject Teacher's email or key code Close ส่งข้อมูล Validating worksheet... (12) Your answers have been sent to your teacher. Good luck! OK We encountered an error submitting your answers. Please try again. OK โฆษณา | ใช้งานแบบไม่มีโฆษณา Created byFernando Tecnología Neumática Age 16-18 level: 4º ESO Spanish คำแนะนำของผู้เขียน CIRCUITOS NEUMÁTICOS