Created by

rasensiper
-
Hidráulica y Redes de Agua
-
Redes de Abastecimiento
-
Age 16+
-
level: FP Grado Medio
-
Spanish
Author's Instructions
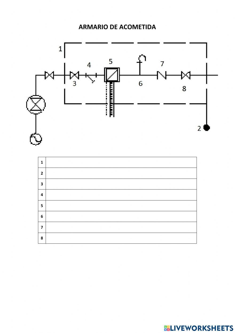
Identifica las partes de un armario de acometida
Created by

rasensiper
-
Hidráulica y Redes de Agua
-
Redes de Abastecimiento
-
Age 16+
-
level: FP Grado Medio
-
Spanish
Author's Instructions
Identifica las partes de un armario de acometida
📚 New Feature: Share worksheets & get automatic grading via Google Classroom 🎓